ニッピ コラーゲン試薬

株式会社ニッピでは、世界をリードするコラーゲン研究のパイオニアとして、半世紀以上にわたりコラーゲンの研究を行ってきました。その技術を活用し、ウシ・ブタの組織から抽出・精製した各型のコラーゲン溶液や、粉末状・シート状の製品など、さまざまなコラーゲン関連商品を提供しています。
研究試薬用コラーゲン(液状)
コラーゲン分⼦種と抽出⽅法による特⻑
◆ Collagen type I
人体のタンパク質の約3分の1はコラーゲンで構成されており、その大部分はI型コラーゲンです。このI型コラーゲンは多細胞動物の細胞外マトリックスの主要な成分であり、線維性コラーゲンとなります。 I型コラーゲンは、α1(I)鎖とα2(I)鎖が2:1の比で構成されるヘテロな3量体分子です。 特に骨や腱、真皮、靭帯などにおいて豊富に存在しますが、すべての臓器に存在し、生物学的にも重要な役割を果たしています。
-
酸抽出コラーゲン(ASC:Acid Soluble Collagen)
・生体内のコラーゲン線維に近い構造を保持
・ゲル強度が高く、ゲル上培養、ゲル包埋培養に最適
・0.45 µmフィルターろ過済みペプシン可溶化コラーゲン(PSC:Pepsin Solubilized Collagen)
・酵素によりテロペプチドを除去したアテロコラーゲン
・優れた細胞接着性を⽰し、コート培養に最適
・0.45 µmフィルターろ過済み -

◆ Collagen type Ⅲ
幼若な⽪膚組織や、動脈の中膜の平滑筋細胞が豊富な組織など、弾性のある組織に多く存在する線維性コラーゲンです。発⽣過程や創傷治癒時に発現することが知られています。
・酵素によりテロペプチドを除去したアテロコラーゲン
・0.45 µmフィルターろ過済み
◆ Collagen type Ⅳ
Ⅳ型コラーゲンは、基底膜を構成する主要成分であり、網目状のネットワークを形成し、主に上皮細胞の足場として機能いたします。
優れた細胞接着性を有することから、上皮細胞をはじめとしたⅣ型コラーゲンを足場とする細胞の培養に適しており、各種研究用途に幅広くご活用いただけます。
ブタ眼球レンズカプセル由来 0.5 mg/mL
・酸抽出 Ⅳ型ネイティブコラーゲン
・0.8 μmフィルターろ過済み
ブタ腎臓由来 3 mg/mL
・ペプシン可溶化Ⅳ型コラーゲン
・0.45 μmフィルターろ過済み
◆ Collagen type Ⅴ
Ⅴ型コラーゲンは3種類のα鎖から構成されており、主に[α1(V)]2α2(V)という組成の分子種が存在しますが、α1(V)α2(V)α3(V)という分子種もあります。皮膚、腱、角膜、腎臓、筋肉などすべての臓器においてI型とともに存在し、コラーゲン線維の太さを調節する役割を果たしています。XI型コラーゲンと非常に近い性質を持っています。
-
優れた細胞接着性
BSAと比較して、優れた細胞接着性を示します。
播種後3時間でのヒト線維芽細胞の接着性
-
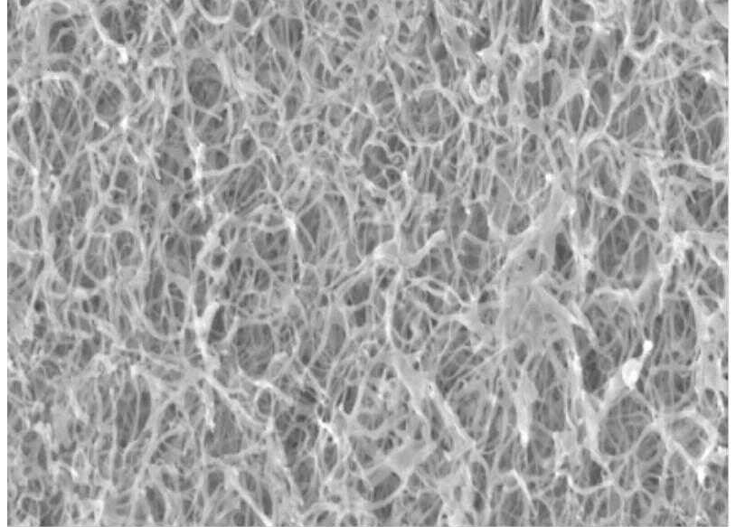
再構成線維
生理的条件にすることで、緻密な線維を形成します。
Collagen typeⅠをPBS(-)で中和し、37℃で再構成させた線維のSEM像(×5000)
使用例
研究試薬用コラーゲン(粉末)

これまでのコラーゲン製品は、溶液または凍結乾燥品が一般的でしたが、ニッピでは独自製法により、ネイティブなコラーゲン分子特有の3本鎖らせん構造を保ったまま、取り扱いやすい粉末にしました。
主成分は、I型コラーゲンでウシおよびブタの真皮由来コラーゲンを原料としております。
コラーゲンタンパク質濃度や溶媒など自由に選択が可能注)で、10 mg/mL程度までのコラーゲン濃度に溶液を調製可能です。
コラーゲン成型品や、ドラッグデリバリーシステムの研究、三次元細胞培養のゲルにもご使用いただけます。
ペプシン可溶化製品に加えて、分子末端の非コラーゲン性領域テロペプチドも保持している酸抽出可溶化製品もあります。
その他10か国取得済み
注)濃度、溶液ともコラーゲンの性質に由来した制限があります。

特長
- 凍結乾燥、スプレードライ品に比べ、表面積が大きく溶けやすい (メーカー比)
- 濃度の調整が容易
- さまざまな溶媒の選択が可能
- ネイティブな構造(三重らせん)を保つ
用途
- 細胞培養における2次元、3次元培養の基材
- コラーゲン成形品の作製
- DDS(ドラッグデリバリーシステム)の研究
※本製品は無菌ではありません。
溶解方法
- 適当な酸性溶液、例えば5 mM 酢酸、あるいは、1 mM 塩酸に溶解します。
(⾼濃度にする場合は、あらかじめ⽔に分散してから、酸性溶液を必要量添加)
※ 濃度は、任意に選べますが、5 mg/mL以上の濃度では、粘度が⾼く、操作しづらくなります。
※ 10 mg/mL程度までは、溶解可能です。
架橋コラーゲンシート

コラーゲンは生体内では、分子同士が会合した高密度な線維を形成しています。本製品は、独自の技術を用いて、コラーゲンを生体内と同等の線維構造を保持したまま、高密度に圧縮したシートです。
シート上での細胞培養が可能で、培養後も強度を保ち容易に破れることはありません。細胞培養用基材や細胞移植のキャリアとしてご使用ください。
特許取得 日本 特許第6100702号
無償サンプルのご対応も行っております。
-
特長
- 高度に精製したコラーゲン (純度95%以上) が原料
- 生体と同等の線維構造を保持
- 凍結乾燥品と比較して高強度
- EOG滅菌済み
概要
原料:ブタ真皮由来ペプシン可溶化コラーゲン
サイズ:直径1.2 cm,厚み 約0.2 mm -


※本製品は光透過性が低いため、細胞を観察する際は、蛍光染色法での観察が必要です。
※本製品は研究用です。研究用以外にはご使用できません。
製品一覧
- 項目をすべて開く
- 項目をすべて閉じる
研究試薬用コラーゲン(液体)
研究試薬用コラーゲン(粉末)
架橋コラーゲンシート
- 掲載内容は本記事掲載時点の情報です。仕様変更などにより製品内容と実際のイメージが異なる場合があります。
- 掲載されている製品について
- 【試薬】
- 試験・研究の目的のみに使用されるものであり、「医薬品」、「食品」、「家庭用品」などとしては使用できません。
- 試験研究用以外にご使用された場合、いかなる保証も致しかねます。試験研究用以外の用途や原料にご使用希望の場合、弊社営業部門にお問合せください。
- 【医薬品原料】
- 製造専用医薬品及び医薬品添加物などを医薬品等の製造原料として製造業者向けに販売しています。製造専用医薬品(製品名に製造専用の表示があるもの)のご購入には、確認書が必要です。
- 表示している希望納入価格は「本体価格のみ」で消費税等は含まれておりません。
- 表示している希望納入価格は本記事掲載時点の価格です。

